Miglioramento dell'efficienza nell'osservazione e nell'analisi dei cristalli
Le industrie alimentari e farmaceutiche creano prodotti che vengono immessi direttamente nel corpo umano e devono quindi garantire elevati livelli di sicurezza e qualità.
Per soddisfare questi requisiti, sono necessari un controllo e un'assicurazione della qualità appropriati esaminando con precisione i cristalli in ogni processo, come l'accettazione delle materie prime cristallizzate, il processo di cristallizzazione e l'osservazione e l'analisi dei cristalli lavorati.
Questa sezione presenta alcuni esempi di applicazione del nostro microscopio digitale 4K, che consente di eseguire osservazioni e analisi di cristalli tradizionalmente difficili e lunghe con una sola unità.

- Che cos'è un cristallo?
- Esigenze relative ai cristalli e problemi di osservazione e analisi
- Esempi di applicazione su cristalli con microscopio digitale 4K
- Un microscopio digitale a 4K che rivoluziona l'osservazione e l'analisi dei cristalli
Che cos'è un cristallo?
Un cristallo è una forma di sostanza solida in cui i costituenti (come atomi, molecole o ioni) sono disposti stericamente in schemi che si ripetono regolarmente, formando un reticolo spaziale. La disposizione degli atomi in un cristallo è chiamata struttura cristallina e l'unità minima in un modello che si ripete regolarmente è chiamata cella unitaria. Oltre agli atomi e alle molecole inorganiche, anche le proteine, con più di un milione di molecole, possono cristallizzare.
Un tipico cristallo è un poliedro, costituito da molti piani piatti e da spigoli vivi che formano vari angoli. Molti cristalli sono anisotropi, quindi presentano proprietà diverse, come l'indice di rifrazione e l'elasticità, in direzioni diverse.
Esigenze relative ai cristalli e problemi di osservazione e analisi
Nell'industria alimentare e farmaceutica, le tecnologie dei cristalli sono ampiamente utilizzate per vari ingredienti farmaceutici attivi (active pharmaceutical ingredients, API) e sostanze, come proteine, aminoacidi e amido, utilizzati nel processo di realizzazione dei prodotti. Dal momento che l'uso dei cristalli può aggiungere ulteriore valore ai prodotti, un numero crescente di produttori utilizza il processo di cristallizzazione o si procura i cristalli dall'esterno. Nella produzione di prodotti che sfruttano i cristalli, il grado di purezza, la forma, la distribuzione granulometrica, la solubilità, le caratteristiche di flusso e alcuni altri fattori sono importanti per mantenere o migliorare la qualità.
Molte caratteristiche dei cristalli derivano dagli atomi o dalle molecole che li costituiscono o dalle posizioni relative degli atomi o delle molecole nel cristallo. Queste caratteristiche si manifestano in modo anisotropo, soprattutto nelle proprietà ottiche come l'indice di rifrazione, il coefficiente di assorbimento, l'angolo di rotazione ottica e il rapporto di depolarizzazione. D'altra parte, le valutazioni tipiche dei cristalli ottenuti o dei risultati della cristallizzazione si basano principalmente sull'osservazione e sull'analisi dell'aspetto, della forma, della distribuzione delle dimensioni delle particelle e di altri elementi simili dei cristalli come parametri tipici.
Tuttavia, l'osservazione e l'analisi di questi oggetti sono difficili perché i cristalli sono estremamente piccoli e presentano forme tridimensionali complesse, oltre a diversi gradi di trasparenza della luce, di rifrazione della luce e di riflessione diffusa. Di seguito sono riportati alcuni problemi specifici.
- Dal momento che i cristalli presentano forme tridimensionali, nelle osservazioni ad alto ingrandimento è possibile mettere a fuoco solo una parte del campione.
- I bordi presentano diverse angolazioni che generano riflessione diffusa, rendendo difficile determinare le condizioni di illuminazione.
- Molti cristalli presentano un basso contrasto con lo sfondo, il che rende difficile catturarne i contorni.
- L'analisi e la valutazione quantitativa sono rese difficili da questi fattori.
Continua a leggere per una presentazione di esempi di applicazione del nostro microscopio digitale 4K, che migliora la sofisticatezza, la quantificazione e l'efficienza del lavoro di osservazione e analisi dei cristalli.
Esempi di applicazione su cristalli con microscopio digitale 4K
KEYENCE ha applicato il feedback diretto dei nostri clienti in ogni modello del nostro microscopio digitale VHX, consentendoci di superare i problemi reali degli operatori.
La Serie VHX è dotata di un sistema di osservazione unico nel suo genere che consente agli operatori di trarre vantaggio dalle sue elevate prestazioni e con operazioni semplici, eliminando l'eccessiva specializzazione delle attrezzature.
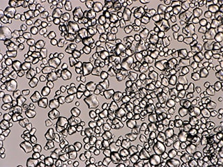
Osservazione, analisi e creazione di report sui cristalli API
Dal momento che i cristalli di API, utilizzati nella produzione di farmaci, presentano forme tridimensionali, in molte osservazioni è possibile mettere a fuoco solo una parte del campione. Inoltre, la trasparenza specifica del cristallo e la rifrazione della luce riducono il contrasto, rendendo difficile l'osservazione chiara delle forme.
Il microscopio digitale 4K della Serie VHX supporta diverse condizioni di illuminazione con un'unica unità, consentendo una rapida e semplice determinazione delle condizioni, che richiede molto tempo con i microscopi tradizionali. Questo microscopio è dotato della funzione di Illuminazione multiangolare, che acquisisce automaticamente più immagini con illuminazione omnidirezionale premendo un pulsante. L'osservazione dei cristalli può essere avviata immediatamente utilizzando immagini 4K ad alta risoluzione, selezionando semplicemente un'immagine adatta allo scopo tra quelle acquisite.
Dal momento che i dati di più immagini acquisite vengono memorizzati, qualsiasi immagine può essere facilmente utilizzata per osservare nuovamente l'obiettivo.
Inoltre, selezionando semplicemente un'immagine passata, è possibile riprodurre completamente le condizioni di acquisizione di quell'immagine. Un campione diverso dello stesso tipo di target può essere facilmente osservato nelle stesse condizioni in un giorno e in un'ora diversi da un operatore diverso.


La Serie VHX può anche passare senza problemi dall'osservazione all'analisi delle granulometrie dei cristalli. La funzione di conteggio e misurazione automatica dell’area può essere utilizzata per eseguire la binarizzazione su un'area specifica. La misurazione dell'area e il conteggio dei cristalli possono essere eseguiti automaticamente.
Questa funzione misura, calcola e conta automaticamente valori dettagliati, come il numero, l'area media, la deviazione standard, il valore massimo, il valore minimo, il rapporto tra le aree e altri elementi dei cristalli nell'area selezionata, nonché l'area, il perimetro, il diametro massimo e il diametro minimo di ciascun cristallo, per poi visualizzare questi valori in un elenco. Nell'area selezionata, è possibile escludere i target non necessari e separare quelli che si sovrappongono, consentendo un'analisi estremamente accurata.

Inoltre, sulla Serie VHX è possibile installare direttamente Excel, consentendo di esportare le immagini e i valori acquisiti in un report personalizzato.
Queste varie funzioni migliorano la semplicità e l'efficienza della serie di attività richieste per l'osservazione, l'analisi e la creazione di report, riducendo significativamente le ore di lavoro.

Osservazione dei cristalli di amido ad alto contrasto
I cristalli di amido presentano un'elevata trasparenza e, di conseguenza, un basso contrasto sullo sfondo. Ciò rende difficile osservare chiaramente i contorni e le forme del cristallo.
Oltre alla retroilluminazione che fornisce un'illuminazione trasmessa, il microscopio digitale 4K della Serie VHX è dotato della funzione High Dynamic Range (HDR), che acquisisce più immagini a diverse velocità dell'otturatore e compone un'unica immagine con un'elevata gradazione di colore. Grazie a questa funzione, è possibile acquisire immagini 4K ad alta risoluzione con un contrasto elevato anche per target, come i cristalli di amido, che presentano un basso contrasto sullo sfondo, consentendo di osservare chiaramente i contorni e le strutture dei cristalli.


Osservazione di cristalli di aminoacidi e proteine
Il microscopio digitale 4K della Serie VHX, che combina un'alta risoluzione con una profondità di campo almeno 20 volte superiore a quella dei microscopi ottici, è dotato di un'unità di illuminazione versatile e altamente funzionale. Questa unità fornisce diverse condizioni di illuminazione, tra cui illuminazione trasmessa, illuminazione coassiale e illuminazione polarizzata.
Inoltre, la funzione di Illuminazione multiangolare, che acquisisce automaticamente più immagini con illuminazione omnidirezionale, prepara rapidamente le condizioni di illuminazione adatte a ciascun cristallo.
Le elevate prestazioni, la funzionalità e l'esclusivo sistema della Serie VHX consentono una facile osservazione con immagini 4K ad alta risoluzione anche di cristalli dall'aspetto variabile, come quelli di aminoacidi e proteine, le cui condizioni di osservazione erano tradizionalmente difficili da determinare.


Un microscopio digitale a 4K che rivoluziona l'osservazione e l'analisi dei cristalli
Tradizionalmente, determinare le condizioni ottimali per osservare e analizzare i cristalli è difficile e richiede molto tempo. Come dimostrano gli esempi presentati in precedenza, il microscopio digitale 4K della Serie VHX rivoluziona questo aspetto.
Grazie alla combinazione di un sistema ottico all'avanguardia e di un sistema di illuminazione versatile, i cristalli possono essere osservati e analizzati in modo più automatizzato.
Inoltre, questo microscopio può contare il numero di cristalli, calcolarne le dimensioni e inviare i risultati direttamente a Excel. La Serie VHX è un partner potente per chiunque voglia osservare o analizzare le strutture cristalline.
Per ulteriori informazioni o richieste di informazioni sulla Serie VHX, fare clic sui pulsanti sottostanti.



