Industria automobilistica e aerospaziale
-

Osservazione e misurazione di componenti idraulici utilizzando microscopi digitali -

Osservazione e misurazione di parti sinterizzate utilizzando microscopi digitali -

Osservazione e misurazione di superfici testurizzate utilizzando microscopi digitali -

Osservazione e misurazione di componenti di veicoli elettrici (EV) utilizzando microscopi digitali -

Osservazione e misurazione di stampi e matrici con un microscopio digitale -

Osservazione e ispezione del processo di lucidatura con un microscopio digitale -

Modelli di frattura su superfici metalliche e soluzioni per problemi nell'analisi dei guasti metallurgici -

Ispezione e analisi della pulizia tecnica dei componenti automobilistici in conformità con gli standard industriali -

Quantificazione del controllo e valutazione dell'usura e della vita utile degli utensili -

Metodi di analisi metallografica e ottimizzazione delle osservazioni e misurazioni -

Difetti di penetrazione della saldatura e ottimizzazione della misurazione e dell'ispezione -

Osservazione e analisi della corrosione -

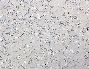
Analisi e valutazione della granulometria -

Misurazione e analisi dei difetti di pressofusione -

Ottimizzazione della misurazione e della valutazione della nodularità della grafite -

Cause dei difetti di pressatura (bave, ammaccature) e osservazione dei difetti e delle sezioni tagliate (superfici di frattura) -

Ottimizzazione dell'osservazione dei difetti delle viti (ammaccature, graffi, crepe e curvature) -

Osservazione e analisi della colata in sabbia -

Tipi di utensili da taglio, osservazione e ispezione con un microscopio digitale


