Microscopio metallurgico

Che cos'è un microscopio metallurgico?

Un microscopio specializzato, progettato per l'osservazione di sezioni trasversali di target metallici (inclusioni metallografiche). Tipicamente invertiti, questi microscopi metallurgici utilizzano obiettivi ad alta risoluzione con distanze di lavoro molto brevi. Sebbene questi sistemi siano molto efficaci per questo tipo di analisi, la loro gamma di applicazioni è molto limitata.

Siamo disponibili per fornirti maggiori informazioni.
Contattaci ora!

Consulenza

Componenti e funzioni dei microscopi metallurgici

I componenti principali di un microscopio metallurgico sono il sistema ottico e il sistema di illuminazione. Il sistema ottico è tipicamente composto da:

  • Lente dell'oculare, attraverso cui l'osservatore guarda per vedere l'immagine
  • Sistema di rinvio, che riflette e ingrandisce l'immagine
  • Obiettivo, che acquisisce l'immagine dal campione sul tavolino

Il sistema di illuminazione è progettato per prevenire l'abbagliamento dovuto alla luce che si riflette sulla superficie del campione ed è composto da:

  • Sorgente luminosa ad alta intensità
  • Lenti del condensatore
  • Diaframma di apertura
  • Riflettore in vetro piano
  • Filtri colorati o polarizzatori

In alcuni casi, i microscopi metallurgici dispongono di fotocamere collegate all'oculare per acquisire le immagini da analizzare.

Siamo disponibili per fornirti maggiori informazioni.
Contattaci ora!

Consulenza

Utilizzi dei microscopi metallurgici

Che siano ottici o digitali, i microscopi metallurgici possono essere utilizzati praticamente in qualsiasi settore industriale o campo di studio in cui sia necessario osservare superfici metalliche lucide. Tra questi vi sono la metallurgia, la mineralogia e la gemmologia. I produttori utilizzano inoltre microscopi metallurgici digitali o ottici per ispezionare materiali e componenti al fine di individuare segni di difetti o usura.

Limiti dei microscopi metallurgici

  • Gli oggetti possono essere osservati solo dall'alto
  • Ideali per l'osservazione a ingrandimento da medio ad alto
  • L'ingrandimento dell'obiettivo viene cambiato tramite un revolver, non è possibile modificarlo continuando a osservare il target
  • Per aggiungere una fotocamera è necessario un adattatore di montaggio
  • Sono disponibili vari filtri per fornire più metodi di osservazione
  • Profondità di campo estremamente ridotta, il che significa che una parte difettosa potrebbe passare inosservata
  • La breve distanza di lavoro richiede che i campioni vengano preparati prima di poter essere osservati
  • L'utilizzo è complesso e richiede una formazione approfondita degli operatori
  • L'uso degli oculari causa affaticamento

Siamo disponibili per fornirti maggiori informazioni.
Contattaci ora!

Consulenza

Perché passare da un microscopio metallurgico al microscopio digitale VHX

1. Messa a fuoco completa - Messa a fuoco nitida sull'intero target

I microscopi digitali raggiungono una profondità di campo almeno 20 volte superiore a quella dei microscopi ottici, consentendo l'osservazione accurata di un target con una superficie molto irregolare. Questo tipo di osservazione è impossibile da ottenere con i microscopi metallurgici e contribuisce a ridurre notevolmente il tempo necessario per la regolazione della messa a fuoco.

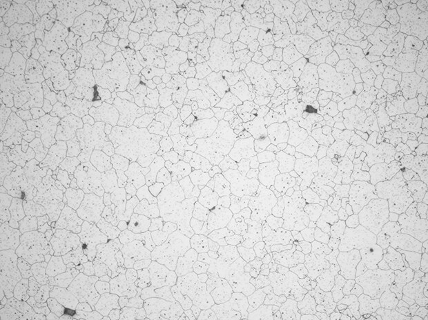
2. Struttura dei grani - Analizzare rapidamente la struttura e le dimensioni dei grani sulle superfici metalliche

Dagli stessi metalli si possono ottenere proprietà meccaniche diverse a seconda della forma, delle dimensioni, della distribuzione, ecc. dei grani cristallini. Pertanto, le proprietà meccaniche possono essere determinate esaminando lo stato di questi grani cristallini.

3. Misura automatica dell'area - Contare automaticamente fino a 29.999 particelle

La funzione di misura automatica dell'area della Serie VHX dispone di caratteristiche che rendono più efficienti le operazioni di analisi. Immagini e risultati di misura possono essere esportati in un formato di report in Microsoft Excel con un solo clic.

4. Flessibilità e modalità a mano libera - Osservazione da qualsiasi angolazione, anche a mano libera, per non perdere mai più nessun dettaglio

Grazie alla capacità di osservazione ad angolazione variabile, i microscopi digitali consentono di osservare liberamente da angolazioni a 360 gradi, senza dover inclinare il target. La Serie VHX offre anche una facile osservazione a mano libera. Ciò significa che per i target più grandi, il tempo necessario per l'ispezione può essere ridotto drasticamente.

5. Misure 2D e 3D - Eseguire misure e analisi avanzate

Eseguire facilmente misure 2D e 3D. Rugosità, contaminazione, dimensione dei grani e altre misure possono essere eseguite con un unico strumento. I dati possono essere salvati e consultati in un secondo momento per ulteriori misurazioni. Inoltre, un software di comunicazione gratuito consente a chiunque di utilizzare le funzioni di misura dal proprio PC.

6. Composizione 2D e 3D - Composizione di immagini 2D/3D e misura della rugosità

I microscopi digitali possono produrre visualizzazioni 3D a fuoco completo premendo un pulsante. I dati tridimensionali vengono ottenuti mentre il tavolino è in movimento e le immagini vengono acquisite in modo continuo, creando una visione d'insieme del target. Gli utenti sono anche in grado di misurare la rugosità superficiale semplicemente tracciando una linea di profilo in qualsiasi punto.

7. Modalità effetto ombra ottico - Per ottenere immagini paragonabili a quelle di un SEM

Utilizzando un design specializzato che comprende un obiettivo HR ad alta risoluzione, un sensore di immagine CMOS 4K e una tecnologia di illuminazione avanzata, KEYENCE ha sviluppato un metodo di microscopia completamente nuovo. Le minime irregolarità sulla superficie possono essere rilevate analizzando il contrasto in un'immagine acquisita con illuminazione multidirezionale.

8. Illuminazione avanzata - Acquisizione automatica dell'illuminazione da tutte le direzioni

Premendo semplicemente il pulsante Ottimizza, vengono visualizzati nove diversi scenari di illuminazione. Da qui è possibile selezionare rapidamente l'immagine ideale per l'osservazione del target.

Siamo disponibili per fornirti maggiori informazioni.
Contattaci ora!

Consulenza