Condizione di minimo materiale (LMC)
La condizione di minimo materiale si utilizza per gestire la dimensione e la posizione dei fori, oltre che lo spessore del materiale.
Ad esempio, se il foro di una parte ha una dimensione o una posizione imprecisa nella condizione di minimo materiale (il foro ha la dimensione massima), la parte avrà una resistenza insufficiente e potrebbe rompersi. Il requisito di minimo materiale è utile per la progettazione di parti con requisiti di spazio estremamente rigidi.
- Utilizzo della condizione di minimo materiale
- Cosa significa ?
- Esempio di indicazione di condizione di minimo materiale
Utilizzo della condizione di minimo materiale
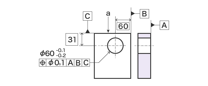
La condizione meno desiderabile in termini di progettazione dello spessore si verifica quando il diametro del foro è largo (dimensione di minimo materiale) e il foro è posizionato vicino al bordo. Al contrario, quando il diametro del foro è ridotto (condizione di massimo materiale), la resistenza può essere mantenuta anche se il foro è vicino al bordo.

- a
- Il lato del foro è talmente vicino al bordo che il foro potrebbe rompersi.
Cosa significa ?
Per applicare la condizione di minimo materiale a una dimensione, si scrive dopo la tolleranza dimensionale nel quadro di controllo della feature. In alcuni casi, un simbolo del datum può essere seguito. "L" significa "least material condition" (LMC, condizione di minimo materiale). Questo simbolo indica l'applicazione del requisito di minimo materiale.

Esempio di indicazione di condizione di minimo materiale
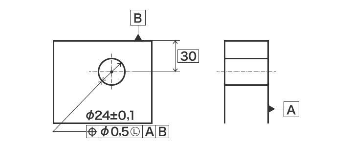
Il disegno seguente è un esempio di indicazione della condizione di minimo materiale per il bordo e il foro mentre lo spessore minimo è indicato utilizzando la posizione.
Quando viene applicata alla zona di tolleranza dimensionale, la specifica di posizione di Φ0,5 viene applicata solo se il foro di diametro 24 è nella condizione di minimo materiale di Φ24,1. La tolleranza geometrica aumenta con il diminuire delle dimensioni del foro.



